Одноосевой поворотный стол ЧПУ CNC-400R GSA+
| Модель: | ![]() |
CNC-400R |
| Производитель: | ![]() |
GSA |
Комбинация высокоточного червячного колеса из бронзо-никелевого сплава и стального закаленного червяка обеспечивают длительное сохранение точности позиционирования.
Многоточечная пневматическая или гидравлическая тормозная система обеспечивает превосходное усилие зажима, исключающее вибрацию при силовом резании.
Универсальный интерфейс, позволяющий проводить как контурную обработку с применением 4-й оси, так и индексирование по М-кодам при позиционной обработке.
Увеличенное отверстие в шпинделе позволяет закреплять трубные заготовки. Поворотные столы данного типа широко применяются на вертикальных обрабатывающих центрах и фрезерных станках. Двигатель может быть установлен как с правой, так и с левой стороны.
Технические характеристики CNC-400R GSA+ | ||
|---|---|---|
| Параметр | Ед. изм. | Значение |
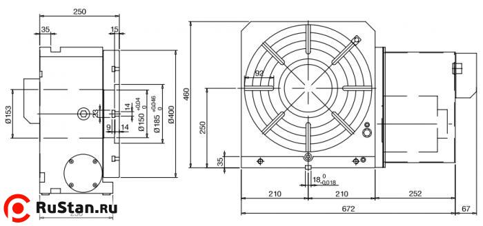
| Диаметр | мм | 400 |
| Высота центров при вертикальной установке | мм | 250 |
| Высота стола при горизонтальной установке | мм | 250 |
| Общая высота при вертикальной установке | мм | 460 |
| Вес CNC-400R нетто (без двигателя) | кг | 280 |
| Центральное отверстие | мм | 150Н7 |
| Ширина Т-пазов | мм | 14Н7 |
| Ширина направляющего сухаря | мм | 18Н7 |
| Сервомотор Meldas | HF-204S | |
| Сервомотор Fanuc | a12i | |
| Сервомотор Siemens | 1FK7083 | |
| Сервомотор Heidenhein | QSY155B | |
| Передаточное число | 1:90 | |
| Минимальный угол | град | 0,001 |
| Максимальные обороты | об/мин | 22,2 |
| Усилие пневмозажима | кг*м | 92 |
| Усилие гидрозажима | кг*м | 184 |
| Класс точности позиционирования | 15” | |
| Повторяемость (Однонаправленный) | с | ±4” |
| Повторяемость (Двунаправленный) | с | ±8” |
| Макс. усилие резания | кг*м | 160 |
| Максимальные нагрузки | |||
|---|---|---|---|
| Параметр | Схема | Ед. изм. | Значение |
| Максимальная вертикальная нагрузка | ![]() | кг | W = 300 |
| Максимальная горизонтальная нагрузка | ![]() | кг | W = 500 |
| Максимальное радиальное усилие | ![]() | кг | F = 3500 |
| Максимальное радиальное усилие | ![]() | кг*м | FxL = 184 |
| Максимальное радиальное усилие | ![]() | кг*м | FxL = 250 |
Комментарии и вопросы:
Комментариев пока нет, но ваш может быть первым.Разметить комментарий или вопрос
Отзывы о CNC-400R:
Отзывов пока нет, но ваш может быть первым.Обозначение GSA используется исключительно для идентификации товаров соответствующего производителя. ООО "Компания "РуСтан" не является правообладателем товарного знака GSA и не аффилировано с правообладателем.








