Каталог
Купить в лизинг Сравнить Избранное
Модель:
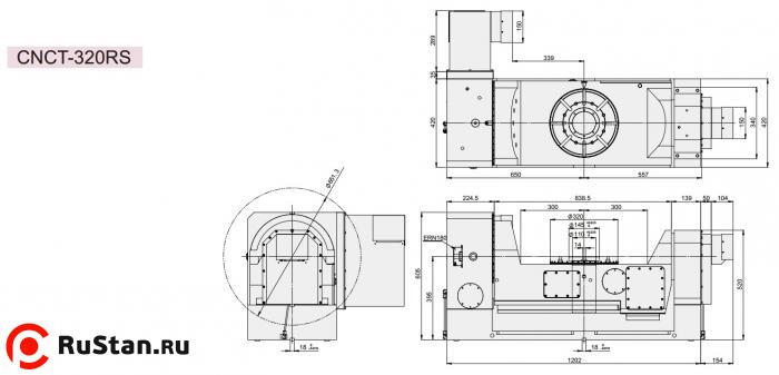
CNCT-320RS
Производитель: GSA
  • Описание
  • Комментарии
  • Отзывы

Компактный дизайн позволяет устанавливать на станки с длиной стола от 1 м. Простая установка на традиционные 3-осевые станки. С помощью 1-осевого контроллера GSA+, подключаемого к системе ЧПУ через М-коды для программируемого наклона стола, можно производить 5-осевую обработку без изменения конструкции станка и его электрооборудования.

По требованию заказчика стол может быть оснащен как гидравлическим, так и пневматическим зажимным устройством. Для повышения точности позиционирования может быть установлен фотоэлектрический датчик.


Технические характеристики CNCT-320RS

Параметр Ед. изм. Значение
Диаметр мм 320
Высота центра мм 255
Общая высота мм 425
Вес CNCT-320RS нетто (без двигателя) кг 505
Центральное отверстие мм 110Н7
Ширина Т-пазов мм 14Н7
Ширина направляющего сухаря мм 18Н7

Поворот и наклон
Параметр Ед. изм. Поворот Наклон
Сервомотор Meldas НF-154T НF-204S
Сервомотор Fanuc a8i a12i
Сервомотор Siemens 1FK7063 1FK7083
Сервомотор Heidenhein QSY116E QSY155B
Передаточное число 1:180 1:180
Угол наклона град -120…120 -120…120
Минимальный угол град 0,001 0,001
Максимальные обороты об/мин 11.1 11.1
Усилие пневмозажима кг*м 71 95/190
Усилие гидрозажима кг*м 142 -
Точность позиционирования 15” 30”
Повторяемость с ±4”

Максимальные нагрузки
Параметр Схема Ед. изм. Значение
Максимальная вертикальная нагрузка Максимальная вертикальная нагрузка кг W = 100
Максимальная горизонтальная нагрузка Максимальная горизонтальная нагрузка кг W = 200
Максимальное радиальное усилие Максимальное радиальное усилие кг F = 1500
Максимальное радиальное усилие Максимальное радиальное усилие кг*м FxL = 190
Максимальное радиальное усилие Максимальное радиальное усилие кг*м FxL = 200
Максимальная рабочая инерция Максимальная рабочая инерция кг*см*сек2 26

Комментарии и вопросы:

Комментариев пока нет, но ваш может быть первым.
Разметить комментарий или вопрос

Отзывы о CNCT-320RS:

Отзывов пока нет, но ваш может быть первым.

Компания-изготовитель оставляет за собой право на изменение комплектации и места производства товара без уведомления!

Обращаем Ваше внимание на то, что информация на сайте не является публичной офертой!

Вверх